Latest Products

NEMA23 Stepper Lead Screw Linear Actuators
The NEMA 6 is our smallest hybrid linear actuators.
This compact unit can be integrated into various
Applications to provide precise linear positioning while
occupying less than 1 in2 of mounting footprint and
providing up to 44.5N of continuous thrust.
The Working Type for the Different Application Demand:
E: External Linear
N: Non-captive
C: Captive
K: Kaptive
Motor Characteristics:
| Motor | Voltage[V] | Current[A] | Resistance[Ω] | Inductance[mH] | Weight[g] | Lead Wire No. | Motor Length[mm] |
|---|---|---|---|---|---|---|---|
| 23-2110 | 6.4 | 1 | 6.4 | 16.4 | 585 | 4 | 45 |
| 23-2120 | 3.5 | 2 | 1.75 | 4.1 | 585 | 4 | 45 |
| 23-2130 | 2.4 | 3 | 0.8 | 1.7 | 585 | 4 | 45 |
| 23-2210 | 11.5 | 1 | 11.5 | 32 | 880 | 4 | 65 |
| 23-2225 | 5 | 2.5 | 2 | 5.2 | 880 | 4 | 65 |
| 23-2240 | 2.8 | 4 | 0.7 | 2 | 880 | 4 | 65 |
Available Lead Screw and Travel per Step:
| Screw Dia.[inch] | Screw Dia.[mm] | Lead[inch] | Lead[mm] | Lead Code | Travel Per Step @ 1.8° [mm]* | Travel Per Step @ 0.9° [mm]* |
|---|---|---|---|---|---|---|
| 0.394 | 10 | 0.079 | 2 | G | 0.01 | 0.005 |
| 0.375 | 9.525 | 0.025 | 0.635 | A | 0.0032 | 0.0016 |
| 0.375 | 9.525 | 0.05 | 1.27 | D | 0.0064 | 0.0032 |
| 0.375 | 9.525 | 0.0625 | 1.5875 | F | 0.0079 | 0.004 |
| 0.375 | 9.525 | 0.083 | 2.1167 | H | 0.0106 | 0.0053 |
| 0.375 | 9.525 | 0.1 | 2.54 | K | 0.0127 | 0.0064 |
| 0.375 | 9.525 | 0.125 | 3.175 | L | 0.0159 | 0.0079 |
| 0.375 | 9.525 | 0.167 | 4.2333 | P | 0.0212 | 0.0106 |
| 0.375 | 9.525 | 0.2 | 5.08 | R | 0.0254 | 0.0127 |
| 0.375 | 9.525 | 0.25 | 6.35 | S | 0.0318 | 0.0159 |
| 0.375 | 9.525 | 0.375 | 9.525 | V | 0.0476 | 0.0238 |
| 0.375 | 9.525 | 0.384 | 9.7536 | W | 0.0488 | 0.0244 |
| 0.375 | 9.525 | 0.4 | 10.16 | X | 0.0508 | 0.0254 |
| 0.375 | 9.525 | 0.5 | 12.7 | Y | 0.0635 | 0.0318 |
| 0.375 | 9.525 | 1 | 25.4 | Z | 0.127 | 0.0635 |
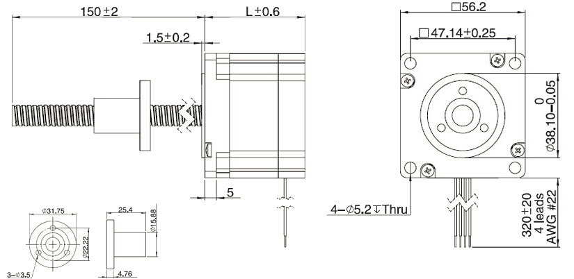
NEMA 23 Stepper Lead Screw Linear Actuators (External Type):

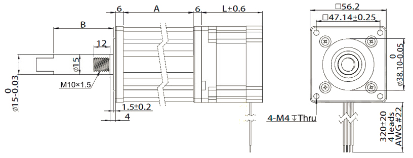
NEMA 23 Stepper Lead Screw Linear Actuators (Non-Captive Type):
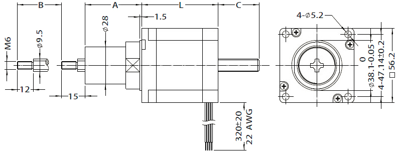
NEMA 23 Stepper Lead Screw Linear Actuators (Captive Type):
Stroke Specification of Captive Actuactor:
| A(mm) | Stroke B (mm) | L(mm) | |
| SingleStack | DoubleStack | ||
| 45.70 | 12.70 | 45 | 65 |
| 52.05 | 19.05 | 45 | 65 |
| 58.40 | 25.40 | 45 | 65 |
| 64.80 | 31.80 | 45 | 65 |
| 71.10 | 38.10 | 45 | 65 |
| 83.80 | 50.80 | 45 | 65 |
| 96.50 | 63.50 | 45 | 65 |
NEMA 23 Stepper Lead Screw Linear Actuators (Kaptive Type):

Stroke Specification of Kaptive Actuactor:
| Size A (mm) | Stroke B (mm) | C (mm) | |
|---|---|---|---|
| Single Stack L=45 | Double Stack L=65 | ||
| 24.20 | 12.70 | 5.80 | 0.00 |
| 30.55 | 19.05 | 12.15 | 2.15 |
| 36.90 | 25.40 | 18.50 | 8.50 |
| 43.25 | 31.75 | 24.85 | 14.85 |
| 49.60 | 38.10 | 31.20 | 21.20 |
| 62.30 | 50.80 | 43.90 | 33.90 |
| 75.00 | 63.50 | 56.60 | 46.60 |
Speed Thrust Curves:


Options for screw end machining:

More Information on detail, please feel free to contact me 
- Availability: In Stock
- Model: 23SS
- Brand: Adampower
