Latest Products
NEMA17 Stepper Ball Screw Linear Actuators
Ball Screw Linear Actuators
$58.00

NEMA17 Stepper Ball Screw Linear Actuators
These actuators are external types have 5 different sizes, from 20mm to 57mm. From 0.005mm/
step to 0.1mm/step, variety of resolution for options available. Maximum thrust can reach 1600N.
Encoder option is available for whole Series
| Motor size | NEMA8 | NEMA11 | NEMA14 | NEMA17 | NEMA23 | ||||
| Dia. Lead | Φ4 | Φ5 | Φ6 | Φ6 | Φ8 | Φ6 | Φ8 | Φ10 | Φ12 |
| 1.0 mm | * | * | * | * | * | * | |||
| 2.0 mm | * | * | * | * | * | * | * | * | |
| 2.5 mm | * | * | |||||||
| 4.0 mm | * | * | |||||||
| 5.0 mm | * | * | * | ||||||
| 6.0 mm | * | * | * | ||||||
| 8.0 mm | * | * | |||||||
| 10.0 mm | * | * | * | * | * | * | * | ||
| 12.0 mm | * | * | |||||||
| 15.0 mm | * | ||||||||
| 20.0 mm | * | ||||||||
NEMA17 Stepper Ball Screw Linear Actuators

Motor Characteristics:
| Motor Code | Voltage (V) | Current (A) | Resistance (Ω) | Inductance (mH) | Lead Wire No | Length (mm) |
| 17E2105 | 7.2 | 0.5 | 14.4 | 19.8 | 4 | 34.1 |
| 17E2110 | 3.8 | 1.0 | 3.8 | 5.0 | 4 | 34.1 |
| 17E2115 | 2.78 | 1.5 | 1.85 | 2.2 | 4 | 48.1 |
| 17E2212 | 4.56 | 1.2 | 3.8 | 8.0 | 4 | 48.1 |
| 17E2225 | 2.25 | 2.5 | 0.9 | 1.8 | 4 | 48.1 |
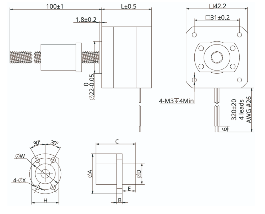
Dimensional drawings:

Ball Screw Specifications:
| Ball screw type | 0801 | 0802 | 0802.5 | 0805 | 0808 | 0810 | 0812 |
|---|---|---|---|---|---|---|---|
| Ball Size | Ф0.8 | Ф1.5875 | Ф1.5875 | Ф1.5875 | Ф1.5875 | Ф1.5875 | Ф1.5875 |
| Number of thread | 1 | 1 | 1 | 1 | 2 | 2 | 2 |
| Thread direction | Right | ||||||
| Shaft root dia. | Ф7.3 | Ф6.6 | Ф6.3 | Ф6.6 | Ф6.7 | Ф6.7 | Ф6.7 |
| Number of circuit | 3.7×1 | 3.7×1 | 2.7×1 | 2.7×1 | 1.6×2 | 1.6×2 | 1.6×2 |
| Shaft, nut material | SCM415H | ||||||
| Surface hardness | HRC58~62 | ||||||
| Anti-rust treatment | Anti-rust oil | ||||||
| Grade | C7 | ||||||
| Nut size | A | B | C | D | H | W | X | E | Position accuracy | Total run out | Axial play | Dynamic load[N] | Static load[N] |
|---|---|---|---|---|---|---|---|---|---|---|---|---|---|
| BS0801 | 29 | 4 | 17 | 16 | 18 | 23 | 3.4 | ±0.05 | 0.12 | ≤0.03 | 780 | 1650 | |
| BS0802 | 37 | 5 | 24 | 20 | 22 | 29 | 4.5 | ±0.05 | 0.12 | ≤0.03 | 2400 | 4100 | |
| BS0802.5 | 29 | 4 | 16 | 16 | 18 | 23 | 3.4 | ±0.05 | 0.12 | ≤0.03 | 1850 | 3000 | |
| BS0805 | 31 | 4 | 28 | 18 | 20 | 25 | 3.4 | ±0.05 | 0.12 | ≤0.03 | 1850 | 3000 | |
| BS0808 | 31 | 4 | 20 | 18 | 20 | 25 | 3.4 | 6 | ±0.05 | 0.12 | ≤0.03 | 2200 | 3800 |
| BS0810 | 31 | 4 | 20 | 18 | 20 | 25 | 3.4 | 7 | ±0.05 | 0.12 | ≤0.03 | 2200 | 3800 |
| BS0812 | 31 | 4 | 24 | 18 | 20 | 25 | 3.4 | 6 | ±0.05 | 0.12 | ≤0.03 | 2200 | 3800 |
* The unit of Position accuracy, Total run out and Axial play is [mm].
NEMA 17 Ball Screw Liner Stepper Motor Performance Curves:
Options for screw end machining:

More Information on detail, please feel free to contact me 
- Availability: In Stock
- Model: 17bs
- Brand: Adampower
