Latest Products
NEMA11 Stepper Lead Screw Linear Actuators
Stepper Lead Screw Linear Actuators
NEMA11 Stepper Lead Screw Linear Actuators
The NEMA 6 is our smallest hybrid linear actuators.
This compact unit can be integrated into various
Applications to provide precise linear positioning while
occupying less than 1 in2 of mounting footprint and
providing up to 44.5N of continuous thrust.
The Working Type for the Different Application Demand:
E: External Linear
N: Non-captive
C: Captive
K: Kaptive
Motor Characteristics:
| Motor Code | Voltage (V) | Current (A) | Resistance (Ω) | Inductance (mH) | Weight (g) | Lead Wire No | Length (mm) |
| 11-2105 | 4.5 | 0.5 | 9.1 | 6 | 117 | 4 | 33.5 |
| 11-2110 | 2.2 | 1 | 2.1 | 1.2 | 117 | 4 | 33.5 |
| 11-2209 | 3.9 | 0.95 | 4.1 | 4 | 173 | 4 | 45 |
| 11-2216 | 2.25 | 1.6 | 1.45 | 1.1 | 173 | 4 | 45 |
Available Lead Screw and Travel per Step:
| Screw Dia.[inch] | Screw Dia.[mm] | Lead[inch] | Lead[mm] | Lead Code | Travel Per Step @ 1.8° [mm]* |
|---|---|---|---|---|---|
| 0.188 | 4.77 | 0.0125 | 0.3175 | AL | 0.0016 |
| 0.188 | 4.77 | 0.025 | 0.635 | A | 0.0032 |
| 0.188 | 4.77 | 0.05 | 1.27 | D | 0.0063 |
| 0.218 | 5.56 | 0.096 | 2.4384 | J* | 0.0122 |
| 0.188 | 4.77 | 0.1 | 2.54 | K | 0.0127 |
| 0.218 | 5.56 | 0.192 | 4.8768 | Q* | 0.0244 |
| 0.188 | 4.77 | 0.2 | 5.08 | R | 0.0254 |
| 0.188 | 4.77 | 0.4 | 10.16 | X | 0.0508 |
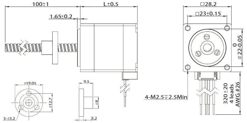
NEMA 11 Stepper Lead Screw Linear Actuators (External Type):
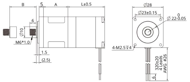
NEMA 11 Stepper Lead Screw Linear Actuators (Non-Captive Type):
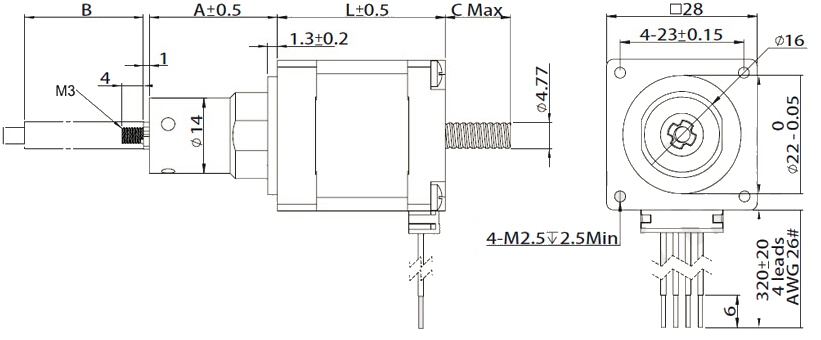
NEMA 11 Stepper Lead Screw Linear Actuators (Captive Type):
Stroke Specification of Captive Actuactor:
| Size A (mm) | Stoke B (mm) | L (mm) | |
|---|---|---|---|
| 22.20 | 12.70 | Single Stack Motor 33.35 | Double Stack Motor 45 |
| 28.55 | 19.05 | ||
| 34.90 | 25.40 | ||
| 41.30 | 31.80 | ||
| 47.60 | 38.10 | ||
| 60.30 | 50.80 | ||
| 73.00 | 63.50 | ||
NEMA 11 Stepper Lead Screw Linear Actuators (Kaptive Type):
Stroke Specification of Kaptive Actuactor:
| Size A (mm) | Stroke B (mm) | C (mm) | |
|---|---|---|---|
| L=33.35 | L=45 | ||
| 15.70 | 12.70 | 1.0 | 0.0 |
| 22.10 | 19.05 | 7.4 | 0.0 |
| 28.40 | 25.40 | 13.7 | 4.0 |
| 34.80 | 31.80 | 20.1 | 10.4 |
| 41.10 | 38.10 | 26.4 | 16.8 |
| 53.80 | 50.80 | 39.0 | 29.4 |
| 66.50 | 63.50 | 52.7 | 42.1 |
Speed Thrust Curves:

Options for screw end machining:

More Information on detail, please feel free to contact me 
- Availability: In Stock
- Model: 11SS
- Brand: Adampower
