Adampower
Pulse & direction stepper motor driver, support to connect magnetic encoder and photoelectric encoder.

RS232 SERIAL STEPPER MOTOR CONTROLLER, PULSE AND DIRECTION STEPPER DRIVER,
ADM57 IS DESIGN FOR NEMA23 INTEGRATED STEPPER MOTORS.

| Pin No. | Name | Description |
| 1 | VDC | Supply voltage: 12-50VDC |
| 2 | GND | Supply Voltage Ground: GND/0V |
| 3 | PUL | Pulse Control Signal Input: Rising Edge effective, PUL high level: 4~5V,, Low level : 0~5V . Make sure pulse signal effective, pulse width ≥ 1.2μs Add the resistance for power supply. |
| 4 | PUL- | |
| 5 | DIR | Direction Signal: high/low level signal:pulse width>5μs , High level: 4~5V,Low level: 0~0.5V |
| 6 | DIR- | |
| 7 | ENA | Enable Signal:enable/disable. If ENA connect 5V & ENA- connect low level(or Internal optocoupler on), stepper controller will turn off the current, motor in free state, no feedback even send pulses. |
| 8 | ENA- | |
| 9 | TXD | To the TX pin on user device (not for communication, set parameter only) |
| 10 | RXD | To the RX pin on user device (not for communication, set parameter only) |

Set working current:
| Output Peak Current | Mean Current | S1 | S2 | S3 |
| Default 1.5A | 1.1A | ON | ON | ON |
| 2.1A | 1.5A | OFF | ON | ON |
| 2.7A | 1.9A | ON | OFF | ON |
| 3.2A | 2.3A | OFF | OFF | ON |
| 3.8A | 2.7A | ON | ON | OFF |
| 4.3A | 3.1A | OFF | ON | OFF |
| 4.9A | 3.5A | ON | OFF | OFF |
| 5.6A | 4.0A | OFF | OFF | OFF |
Set Micro-step:

With same size as nema23 stepper motor, built-in 32-bit DSP digital chip.
Using new control algorithms such for vibration suppression and low heat-generation
Ensure the motor runs smoothly, with low noise and temperature controllable.
Adm57 stepper driver with maximum output current: 5.6a, meet all of NEMA23 stepper motor application requirement.
Achieve high subdivision effects through internal algorithms, even in the low micro-step condition, which widely applied in laser wire solutions.
Integrated automatic matching function for motor parameters, optimize the operating parameters, make sure the motors in good performance.
Adm57 stepper controller can be assembled as nema23 integrated stepper motor.

Make the integrated NEMA23 stepper motor directly via simple screw:

Input signal Single ended cathode connection:
Input signal Single ended common anode connection:

Input signal Single ended cathode connection:

ADM57 Pulse & Dircetion type stepper motor driver User Manual

Pulse & direction stepper motor driver, support to connect magnetic encoder and photoelectric encoder.


Set working current:

Set Micro-step:

● Miniature size 42.3mmx42.3mm x21mm
● Pulse & direction stepper driver also support the standard RS232 serial command, and built-in 32bit digital chip.
● Using new control algorithms such for vibration suppression and low heat generation
● DC input voltage 12~32VDC, recommended working voltage 24VDC.
● Continuous output current 1.58A max, max peak current 2.2A.
● Integrated design, mounted with 42/39mm stepper motor.
● Low vibration, low noise, stable operation, low motor heating.
● Any micro-step can be set .
● Protection functions such as overvoltage, undervoltage and overcurrent.
● Built-in automatic matching function of motor parameter.
● ADM42 stepper driver can be assembled for NEMA17 Integrated Stepper Motors

1.VDC: Positive power input: DC voltage 12-32VDC
2.GND: Negative power input: DC voltage GND
3.OPTO: Pules Direction, Enable common anode Input: 5V DC,
4.PUL-: Pulse Control Signal Input, Rising Edge effective
5.DIR-: Direction Control Signal Input, Rising Edge effective
6.ENA-: Enable Signal Input, Rising Edge effective
7.TXD: To the TX pin on user device
8.RXD: To the RX pin on user device
Make the integrated NEMA17 stepper motor directly via simple screw:

ADM42 Pulse & Dircetion type stepper motor driver User Manual 
For ADM57 Pulse & Direction Stepper Motor Driver, please click below photo ↓

RS485 Serial Stepper Motor Controller, Design for NEMA23 Stepper Motors.
● Standard RS485 communication protocol and built-in motion control instructions.
● Multi-axes control, extending up to 32 axes for simultaneous control.
● DC input voltage 15~50VDC, recommended working voltage 36VDC.
● Continuous output current 4.0A max, max peak current 5.6A.
● Integrated design, mounted with NEMA23/NEMA34 stepper motor.
● Low vibration, low noise, stable operation, low motor heating.
● Any micro-step can be set .
● Protection functions such as overvoltage, undervoltage and overcurrent.
● Built-in automatic matching function of motor parameter.
● Serial port RS232/RS485 debugging function.

1.VDC: Positive power input: DC voltage 15-50VDC
2.GND: Negative power input: DC voltage GND
3.COM IO signal level common anode common terminal, amplitude 5VDC,
4.LIM1- Reverse limit signal port, valid for rising edge
5.LIM2- Reverse limit signal port, valid for rising edge
6.STA: Start and stop signal port, valid on rising edge
7.RSA: RS485 group A signal
8.RSB: RS485 group B signal
Working Principle:

ADM57 stepper motor driver, using 6 DIP switch for set the communication baud rate and drive site:


Device ID | SW1 | SW2 | SW3 | SW4 |
Broadcast | ON | ON | ON | ON |
1 | OFF | ON | ON | ON |
2 | ON | OFF | ON | ON |
3 | OFF | OFF | ON | ON |
4 | ON | ON | OFF | ON |
5 | OFF | ON | OFF | ON |
6 | ON | OFF | OFF | ON |
7 | OFF | OFF | OFF | ON |
8 | ON | ON | ON | OFF |
9 | OFF | ON | ON | OFF |
10 | ON | OFF | ON | OFF |
11 | OFF | OFF | ON | OFF |
12 | ON | ON | OFF | OFF |
13 | OFF | ON | OFF | OFF |
14 | ON | OFF | OFF | OFF |
15 | OFF | OFF | OFF | OFF |
Note: The formula for calculating the ID: ID=1*SW1 2*SW2 4*SW3 8*SW4.
The default ID value is 0. broadcast mode accept data but not return data.
Communication baud rate setting:
Baud Rate | SW5 | SW6 |
9600 | ON | ON |
19200 | OFF | ON |
38400 | ON | OFF |
57600 | OFF | OFF |
ADM57S Series RS485 Serial Stepper Motor Controller, NEMA23 Integrated Stepper Motor.


ADM57S RS485 Serial Stepper Motor Controller Manual 

More Information on detail, please feel free to contact me
CRC Check routine by C# :
Uint16 Funct_CRC16(unsigned char * puchMsg, Uint16 DataLen)
{
Uint16 i,j,tmp;
Uint16 crcdata=0xFFFF;
for(i=0;i<DataLen;i )
{
crcdata=(*puchMsg)^crcdata;
puchMsg ;
for(j=0;j<8;j )
{
tmp=crcdata&0x0001;
crcdata=crcdata>>1;
if(tmp){
crcdata=crcdata^0xA001;
}
}
}
returncrcdata;
}
Pulse & direction stepper motor driver, support to Spontaneous pulses.
Spontaneous pulses Stepper Motor Driver with fixed working speed range.

● Miniature size 55.9mm x 55.9mm x 19mm
● Pulse & direction stepper driver also support the standard RS232 serial command, and built-in 32bit digital chip.
● Using new control algorithms such for vibration suppression and low heat generation
● DC input voltage 20~50VDC, recommended working voltage 36VDC.
● Continuous output current 4.0A max, max peak current 5.6A.
● Integrated design, mounted with NEMA23/NEMA24 stepper motor.
● Low vibration, low noise, stable operation, low motor heating.
● Any micro-step can be set.
● Protection functions such as overvoltage, undervoltage and overcurrent.
● Built-in automatic matching function of motor parameter.
● AP57 stepper driver can be assembled for NEMA23 Integrated Stepper Motors


| Pin No. | Name | Description |
| 1 | VDC | Supply voltage: 20-50VDC, Recommend DC36V |
| 2 | GND | Supply Voltage Ground: GND/0V |
| 3 | RXD | To the RX pin on user device (not for communication, set parameter only) |
| 4 | TXD | To the TX pin on user device (not for communication, set parameter only) |
| 5 | PUL | Differential PULSE signal input, Allow receiving 5V signals, Rising edge is Effective |
| 6 | PUL- | |
| 7 | DIR | Differential DIRECTION signal input, Allow receiving 5V signals, Rising edge is Effective |
| 8 | DIR- | |
| 9 | ENA | Differential ENABLE signal input, Allow receiving 5V signals, Rising edge is Effective |
| 10 | ENA- | |
| 11 | OUT | Alarm signal output, OC circuit, can receive up voltage up to 24V |
| 12 | OUT- |
Note: Pulse signals, directional signals, and enable signals can receive up to 5V signals,
If the control signal is 12V, a 1K resistor needs to be connected.
If the control signal is 24V, it is necessary to connect 2.2K resistors.
In addition to Differential wiring, AP57 Driver also supports common anode connection and common cathode connection:


Dip Switch Settings:
SW1 SW2 SW3 set Current,
SW4 SW5 SW6 Set Micro-Step,
SW8 Set direction CW/CCW.
SW9 SW10, Choose Working Mode
1. Set working current by SW1, SW2, SW3:

The default peak current at the factory is 1.5A, can be set through the serial port before sale,
The adjustable current range is any value between 0.1A and 5.6A (peak).
Set Stepper Motor's default rotation direction
SW8=on, CW
SW8=off, CCW

Note: the default rotation direction according to the wiring,
Swap wiring phase A A-(or B B-) will change the rotation direction.
Set Working Mode by SW9, SW10:
| SW9 | SW10 | Working Mode |
| on | on | Spontaneous pulses |
| on | off | self-test |
| off | on | double pulse |
| off | off | Pulse & Direction |
Set Micro-Step and working speed by SW4,SW5,SW6 SW7:

Note: set SW9,SW10 for Spontaneous pulses mode, working speed will be effective when connect the 5V pulse signal.

More Information on detail, please feel free to contact me
Pulse & direction stepper motor driver, support to Spontaneous pulses.
Spontaneous pulses Stepper Motor Driver with fixed working speed range.

● Miniature size 42.3mmx42.3mm x17mm
● Pulse & direction stepper driver also support the standard RS232 serial command, and built-in 32bit digital chip.
● Using new control algorithms such for vibration suppression and low heat generation
● DC input voltage 12~40VDC, recommended working voltage 24VDC.
● Continuous output current 1.4A max, max peak current 2.2A.
● Integrated design, mounted with NEMA17/NEMA16 stepper motor.
● Low vibration, low noise, stable operation, low motor heating.
● Any micro-step can be set.
● Protection functions such as overvoltage, undervoltage and overcurrent.
● Built-in automatic matching function of motor parameter.
● AP42 stepper driver can be assembled for NEMA17 Integrated Stepper Motors


| Pin No. | Name | Description |
| 1 | VDC | Supply voltage: 12-32VDC, Recommend DC24V |
| 2 | GND | Supply Voltage Ground: GND/0V |
| 3 | RXD | To the RX pin on user device (not for communication, set parameter only) |
| 4 | TXD | To the TX pin on user device (not for communication, set parameter only) |
| 5 | PUL | Differential PULSE signal input, Allow receiving 5V signals, Rising edge is Effective |
| 6 | PUL- | |
| 7 | DIR | Differential DIRECTION signal input, Allow receiving 5V signals, Rising edge is Effective |
| 8 | DIR- | |
| 9 | ENA | Differential ENABLE signal input, Allow receiving 5V signals, Rising edge is Effective |
| 10 | ENA- | |
| 11 | OUT | Alarm signal output, OC circuit, can receive up voltage up to 24V |
| 12 | OUT- |
Note: Pulse signals, directional signals, and enable signals can receive up to 5V signals,
If the control signal is 12V, a 1K resistor needs to be connected.
If the control signal is 24V, it is necessary to connect 2.2K resistors.
In addition to Differential wiring, AP42 Driver also supports common anode connection and common cathode connection:


Dip Switch Settings:

SW1 SW2 SW3 set Current,
SW4 SW5 SW6 Set Micro-Step,
SW8 Set direction CW/CCW.
SW9 SW10, Choose Working Mode
1. Set working current by SW1, SW2, SW3:

The default peak current at the factory is 0.5A, can be set through the serial port before sale,
The adjustable current range is any value between 0.1A and 2.2A (peak).
Set Stepper Motor's default rotation direction
SW8=on, CW
SW8=off, CCW

Note: the default rotation direction according to the wiring,
Swap wiring phase A A-(or B B-) will change the rotation direction.
Set Working Mode by SW9, SW10:
| SW9 | SW10 | Working Mode |
| on | on | Spontaneous pulses |
| on | off | self-test |
| off | on | double pulse |
| off | off | Pulse & Direction |
Set Micro-Step and working speed by SW4,SW5,SW6 SW7:

Note: set SW9,SW10 for Spontaneous pulses mode, working speed will be effective when connect the 5V pulse signal.

More Information on detail, please feel free to contact me

The IM24ET Series Integrated Motors represent a perfect integration of stepper drivers and stepper motors, combining the technologies of both in a single unit.
They are fully compatible with 1599-revolution mechanical absolute encoders, which not only save installation space but also streamline wiring connections.
By reducing your design and production costs, they stand as the premier choice for your stepper system solutions.

Frame Size: NEMA24
Holding Torque: 1.1–3.5 N·m
Supply Voltage: 24–60 VDC
Supported Protocols: Modbus/RTU, RS485
Built-in Programmable Multi-Turn Feedback: 1599 revolutions; supports user-defined home position with memory, no sensor required
Software Limit Function Supported: More reliable than mechanical limit switches
Closed-Loop Control: 4096-line (16384 counts) encoder feedback
Torque Modes Supported: Homing on collision, constant torque, object gripping
Input Compatibility: 5–24 VDC; Output: Open-collector (OC) output, withstanding voltage up to 30 VDC
Comprehensive Protection Features: Over-voltage, under-voltage, over-current, winding open-circuit, and position deviation protection
Non-Volatile Memory: Configuration parameters stored in the on-chip FLASH of the MCU
Wide Filter Frequency Range: 50 kHz–5 MHz adjustable, factory default at 300 kHz
User-friendly PC interface with full-featured functionality
Motor Parameters (two type flange size and hole spacing)
| Model No. | Total Length L (mm) | Length L1 (mm) | Shaft Dia. (mm) | Flange Size. (mm) | Phase Current (A) | Resistance (Ω) | Inductance (mH) | Holding Torque (N.m) | Inertia (g.cm²) | Weight (g) |
|---|---|---|---|---|---|---|---|---|---|---|
| IM24ET22S | 92.8 | 21 | 8 | 38.1/36 | 5 | 0.45 | 1.4 | 2.2 | 490 | 1100 |
| IM24ET30S | 109.8 | 21 | 8 | 38.1/36 | 5 | 0.58 | 2.4 | 3.0 | 690 | 1400 |
| IM24ET22B | 92.8 | 30 | 8 | 38.1/36 | 5 | 0.45 | 1.4 | 2.2 | 490 | 1100 |
| IM24ET30B | 109.9 | 30 | 8 | 38.1/36 | 5 | 0.58 | 2.4 | 3.0 | 690 | 1400 |
Flange Size: 38.1 mm; Mounting Hole Spacing: 47.14 mm, drawing as below:

Flange Size: 36 mm; Mounting Hole Spacing: 50 mm, drawing as below:

Block Diagram:

RS485 Multi-turn Absolute Encoder type Integrated Stepper Motor
Terminal Definition
| Terminal | Color | Name | Description |
|---|---|---|---|
| 1 | Red | V | 24~60VDC |
| 2 | Black | V- | GND |
| 3 | Yellow | X com | INPUT COM, compatible with NPN and PNP |
| 4 | Yel/BLK | X0 | 3 Programmable Inputs (Active Low) Port functions configurable via commands or host computer. Pulse Mode: X0 = Pulse, X1 = Direction |
| 5 | Blue | X1 | |
| 6 | Blu/BLK | X2 | |
| 7 | Green | Y2 | Y0: Default alarm output, Normally Closed (NC), Y1: Default position reached output, Normally Closed (NC) Y2: Undefined,Users may configure or redefine the functions of the corresponding ports via commands. Y2 can be customized to input X3 upon request before delivery; it defaults to an output port. |
| 8 | Gre/BLK | Y1 | |
| 9 | Purple | Y0 | |
| 10 | Pur/BLK | Y com | OUTPUT COM, COM GND |
| 11 | Orange | 485A | RS485 Communication port, default baud rate is 115200 |
| 12 | Ora/BLK | 485B |

3-channel isolated digital signal input, the function of each input channel can be configured via software or commands, with the correspondence between input signals and functions as follows:
| Signal | Interface | Function |
|---|---|---|
| X0 | X0,Xcom | • General Input (Default) • Pulse / Limit / Home / Emergency Stop / Speed Switch / Interrupt Positioning / Forward Rotation |
| X1 | X1,Xcom | • General Input (Default) • Pulse / Direction / Limit / Home / Emergency Stop / Speed Switch / Interrupt Positioning / Reverse Rotation |
| X2 | X2,Xcom | • General Input (Default) • Limit / Home / Emergency Stop / Speed Switch / Interrupt Positioning |
XCOM is the common positive terminal for single-ended input signals and shall be connected to the positive pole of the power supply.
It only accepts sinking NPN signals.
The figure below illustrates the typical wiring configurations for the X0–X2 input ports.

3-channel isolated digital signal output, the function of each output channel can be configured via software or commands, with the correspondence between output signals and functions as follows:
| Signal | Interface | Function |
|---|---|---|
| Y0 | Y0, Ycom | • Alarm Output (Default) • Alarm / Position Reached / Running Status |
| Y1 | Y1, Ycom | • Position Reached Output (Closed Loop Default) • Running Status Output (Open Loop Default) • Alarm / Position Reached / Running Status |
| Y2 | Y2, Ycom | • General Purpose Output (Default) • Alarm / Position Reached / Running Status |
The figure below illustrates the typical wiring configurations for the Y0–Y2 output ports.

Warning: Output terminal → DC voltage < 30V, Inflow current ≤ 50mA.
CRC Check Routine (C#)
UInt16 Funct_CRC16(unsigned char * puchMsg, UInt16 DataLen)
{
UInt16 i,j,tmp;
UInt16 crcdata=0xFFFF;
for(i=0;i<DataLen;i )
{
crcdata=(*puchMsg)^crcdata;
puchMsg ;
for(j=0;j<8;j )
{
tmp=crcdata&0x0001;
crcdata=crcdata>>1;
if(tmp){
crcdata=crcdata^0xA001;
}
}
}
return crcdata;
}
RS485 Integrated Stepper Motor Commissioning and Control Software:
Quick Start Guide – Follow the steps below:
1. Extract the zip file, open CommFile folder and Click Step-Config.exe or Adampower.exe

2. Open Project.

3. Click Browse

4. Select the Project.prj in the Project folder, in the same path as CommFile.

5. Double Click the Project.prj path

6. Right Click Modbus_485, and Click Property:

7. Click Property ComNN, Choose COM port, Baud rate and click Save and OK.

8. Start to use software control the RS485 Integrated stepper motor by below buttons:


Optional: USB-TTL debugging cable
LED indicator and status:

AR57 is a high-integrated and compact size stepper driver. It adopts standard RS485 communication
protocol, can be connected with PLC, HMI, industrial computer and other upper computer with only two
communication lines. Up to 32 axes of motion platform networking can be achieved with its built-in motion
control commands.
AR57 can be set to 1-256 subdivisions and adopts built-in micro-subdivision technology, which can achieve
high subdivision effects even under low subdivision conditions, ensuring that the motor operates with uniform
step intervals and no large or small step problems.
Can be set between 1-256 subdivisions, with uniform motor step spacing; Stable output at 1/12 rpm
AR57 is designed for NEMA23/NEMA24 stepper motor, The NEMA23/NEMA24 integrated stepper motor with
torque 1.0, 2.0 and 3.0Nm:
| Model No. | Holding Torque(Nm) | Motor Length(mm) | Encoder Type |
| AR57-10 | 1.0 | 57-56 | 1000 line Encoder, Magnetic or Optoelectronic |
| AR57-20 | 2.0 | 57-76 | |
| AR57-30 | 3.0 | 60-90 |



Port Definition
OUT /OUT- as defferential output port, Max.receive voltage is DC24V, and instaneous ouput
current is 100mA, continuous output current is 50mA.
DIP Switch Settings

Set ID address, Baud Rate and Ouptut current by SW1~SW10:
Set ID address:

Note: The formula for calculating the ID table is: ID=1*SW1 2*SW2 4*SW3 8*SW4 16*SW5.
The default ID is 0, 0 means broadcast address for global control
Set Baud Rate:

Note: When the communication baud rate in the table cannot meet the usage requirements, the baud rate can be
customized by the host computer when SW6 and SW7 are turned ON.
Set Output Current:

Zero-return function with two trajectory A and when limit signal is triggered and not:

AR57 Modbus Stepper Motor Controller User Manual 
Software Modbus Poll 
AdamPower Software
More Information on detail, please feel free to contact me 
4~20 mA current-adjustable stepping motor driver
![]() | 420MA | |||
minimum value | Typical value | Maximum value | Unit | |
Supply Voltage (DC) | 12 | 24 | 24 | VDC |
Control Signal | 4 | 10 | 20 | mA |
● Miniature size 42.2mmx42.2mm x14.5mm
● DC input voltage 12~40VDC, recommended working voltage 24VDC.
● Continuous output current 1.4A max, max peak current 2.0A.
● Integrated design, mounted with NEMA17, NEMA23 stepper motor.
● Low vibration, low noise, stable operation, low motor heating.
● Working Speed Range can be customized as requirement.
● Adjusting current: 4~20mA corrsponding Speed: 0~300RPM(default setting for peristaltic pumps).
| Pin No. | Name | Description |
| 1 | 24V | Supply voltage: 12-40VDC, Recommend DC24V |
| 2 | GND | Supply Voltage Ground: GND/0V |
| 3 | VCC | Reserved; H/L Speed Option or other Customized requirement |
| 4 | DIR | The rotation direction of the motor, CW/CCW |
| 5 | STP | The positive pole of the speed-regulating current |
| 6 | ENA | Enable the Stepper Motor |
| 7 | DEBUG | Debug port |
- Wiring Diagram:

Debug cable:

Demo Video:
Customized Working Speed Range 0-300RPM for peristaltic pumps requirement.
Adjusting current: 4~20mA corresponding to Speed: 0~300RPM:
When this NEMA17 Sized Driver assembled with NEMA23 motor via a flange,
an Integrated Stepper Motor is formed:
4~20 mA current-adjustable stepping motor driver
![]() | 420MA | |||
minimum value | Typical value | Maximum value | Unit | |
Supply Voltage (DC) | 12 | 24 | 24 | VDC |
Control Signal | 4 | 10 | 20 | mA |
● Miniature size 42.2mmx42.2mm x14.5mm
● DC input voltage 12~40VDC, recommended working voltage 24VDC.
● Continuous output current 1.4A max, max peak current 2.0A.
● Integrated design, mounted with NEMA17, NEMA23 stepper motor.
● Low vibration, low noise, stable operation, low motor heating.
● Working Speed Range can be customized as requirement.
● Adjusting current: 4~20mA corrsponding Speed: 0~300RPM(default setting for peristaltic pumps).
| Pin No. | Name | Description |
| 1 | 24V | Supply voltage: 12-40VDC, Recommend DC24V |
| 2 | GND | Supply Voltage Ground: GND/0V |
| 3 | VCC | Reserved; H/L Speed Option or other Customized requirement |
| 4 | DIR | The rotation direction of the motor, CW/CCW |
| 5 | STP | The positive pole of the speed-regulating current |
| 6 | ENA | Enable the Stepper Motor |
| 7 | DEBUG | Debug port |
- Wiring Diagram:

Debug cable:

Demo Video:
Customized Working Speed Range 0-300RPM for peristaltic pumps requirement.
Adjusting current: 4~20mA corresponding to Speed: 0~300RPM:
When this NEMA17 Sized Driver assembled with NEMA23 motor via a flange,
an Integrated Stepper Motor is formed:

NEMA23 Stepper Lead Screw Linear Actuators
The NEMA 6 is our smallest hybrid linear actuators.
This compact unit can be integrated into various
Applications to provide precise linear positioning while
occupying less than 1 in2 of mounting footprint and
providing up to 44.5N of continuous thrust.
The Working Type for the Different Application Demand:
E: External Linear
N: Non-captive
C: Captive
K: Kaptive
Motor Characteristics:
| Motor | Voltage[V] | Current[A] | Resistance[Ω] | Inductance[mH] | Weight[g] | Lead Wire No. | Motor Length[mm] |
|---|---|---|---|---|---|---|---|
| 23-2110 | 6.4 | 1 | 6.4 | 16.4 | 585 | 4 | 45 |
| 23-2120 | 3.5 | 2 | 1.75 | 4.1 | 585 | 4 | 45 |
| 23-2130 | 2.4 | 3 | 0.8 | 1.7 | 585 | 4 | 45 |
| 23-2210 | 11.5 | 1 | 11.5 | 32 | 880 | 4 | 65 |
| 23-2225 | 5 | 2.5 | 2 | 5.2 | 880 | 4 | 65 |
| 23-2240 | 2.8 | 4 | 0.7 | 2 | 880 | 4 | 65 |
Available Lead Screw and Travel per Step:
| Screw Dia.[inch] | Screw Dia.[mm] | Lead[inch] | Lead[mm] | Lead Code | Travel Per Step @ 1.8° [mm]* | Travel Per Step @ 0.9° [mm]* |
|---|---|---|---|---|---|---|
| 0.394 | 10 | 0.079 | 2 | G | 0.01 | 0.005 |
| 0.375 | 9.525 | 0.025 | 0.635 | A | 0.0032 | 0.0016 |
| 0.375 | 9.525 | 0.05 | 1.27 | D | 0.0064 | 0.0032 |
| 0.375 | 9.525 | 0.0625 | 1.5875 | F | 0.0079 | 0.004 |
| 0.375 | 9.525 | 0.083 | 2.1167 | H | 0.0106 | 0.0053 |
| 0.375 | 9.525 | 0.1 | 2.54 | K | 0.0127 | 0.0064 |
| 0.375 | 9.525 | 0.125 | 3.175 | L | 0.0159 | 0.0079 |
| 0.375 | 9.525 | 0.167 | 4.2333 | P | 0.0212 | 0.0106 |
| 0.375 | 9.525 | 0.2 | 5.08 | R | 0.0254 | 0.0127 |
| 0.375 | 9.525 | 0.25 | 6.35 | S | 0.0318 | 0.0159 |
| 0.375 | 9.525 | 0.375 | 9.525 | V | 0.0476 | 0.0238 |
| 0.375 | 9.525 | 0.384 | 9.7536 | W | 0.0488 | 0.0244 |
| 0.375 | 9.525 | 0.4 | 10.16 | X | 0.0508 | 0.0254 |
| 0.375 | 9.525 | 0.5 | 12.7 | Y | 0.0635 | 0.0318 |
| 0.375 | 9.525 | 1 | 25.4 | Z | 0.127 | 0.0635 |
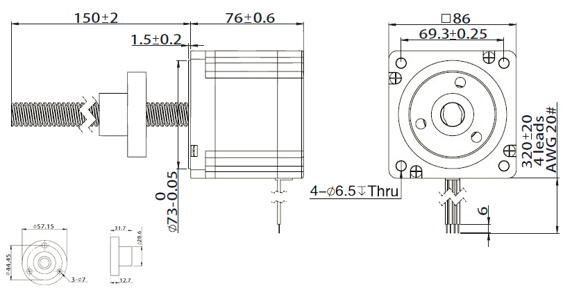
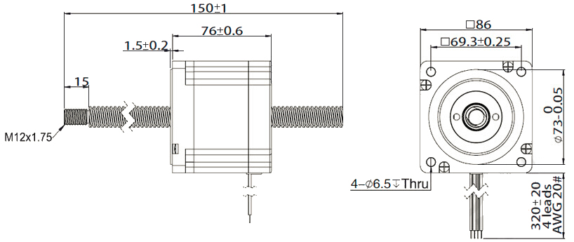
NEMA 23 Stepper Lead Screw Linear Actuators (External Type):

NEMA 23 Stepper Lead Screw Linear Actuators (Non-Captive Type):
NEMA 23 Stepper Lead Screw Linear Actuators (Captive Type):
Stroke Specification of Captive Actuactor:
| A(mm) | Stroke B (mm) | L(mm) | |
| SingleStack | DoubleStack | ||
| 45.70 | 12.70 | 45 | 65 |
| 52.05 | 19.05 | 45 | 65 |
| 58.40 | 25.40 | 45 | 65 |
| 64.80 | 31.80 | 45 | 65 |
| 71.10 | 38.10 | 45 | 65 |
| 83.80 | 50.80 | 45 | 65 |
| 96.50 | 63.50 | 45 | 65 |
NEMA 23 Stepper Lead Screw Linear Actuators (Kaptive Type):

Stroke Specification of Kaptive Actuactor:
| Size A (mm) | Stroke B (mm) | C (mm) | |
|---|---|---|---|
| Single Stack L=45 | Double Stack L=65 | ||
| 24.20 | 12.70 | 5.80 | 0.00 |
| 30.55 | 19.05 | 12.15 | 2.15 |
| 36.90 | 25.40 | 18.50 | 8.50 |
| 43.25 | 31.75 | 24.85 | 14.85 |
| 49.60 | 38.10 | 31.20 | 21.20 |
| 62.30 | 50.80 | 43.90 | 33.90 |
| 75.00 | 63.50 | 56.60 | 46.60 |
Speed Thrust Curves:


Options for screw end machining:


NEMA34 Stepper Lead Screw Linear Actuators
The NEMA 6 is our smallest hybrid linear actuators.
This compact unit can be integrated into various
Applications to provide precise linear positioning while
occupying less than 1 in2 of mounting footprint and
providing up to 44.5N of continuous thrust.
The Working Type for the Different Application Demand:
E: External Linear
N: Non-captive
C: Captive
K: Kaptive
Motor Characteristics:
| Motor | Voltage[V] | Current[A] | Resistance[Ω] | Inductance[mH] | Weight[g] | Lead Wire No. | Motor Length[mm] |
|---|---|---|---|---|---|---|---|
| 34-2113 | 12 | 1.3 | 9.2 | 71 | 2370 | 4 | 76 |
| 34-2130 | 5.7 | 3 | 1.9 | 15 | 2370 | 4 | 76 |
| 34-2155 | 2.85 | 5.5 | 0.52 | 4.5 | 2370 | 4 | 76 |
Available Lead Screw and Travel per Step:
| Screw Dia.[inch] | Screw Dia.[mm] | Lead[inch] | Lead[mm] | Lead Code | Travel Per Step @ 1.8° [mm]* | Travel Per Step @ 0.9° [mm]* |
|---|---|---|---|---|---|---|
| 0.625 | 15.875 | 0.1 | 2.54 | K | 0.0127 | 0.0064 |
| 0.625 | 15.875 | 0.125 | 3.175 | L | 0.0159 | 0.0079 |
| 0.625 | 15.875 | 0.2 | 5.08 | R | 0.0254 | 0.0127 |
| 0.625 | 15.875 | 0.25 | 6.35 | S | 0.0318 | 0.0159 |
| 0.625 | 15.875 | 0.5 | 12.7 | Y | 0.0635 | 0.0318 |
| 0.625 | 15.875 | 1 | 25.4 | Z | 0.127 | 0.0635 |
NEMA 34 Stepper Lead Screw Linear Actuators (External Type):

NEMA 34 Stepper Lead Screw Linear Actuators (Non-Captive Type):
Speed Thrust Curves:

Options for screw end machining:



| Step Accuracy: | ±5% | Resistance Accuracy: | ±10% |
|---|---|---|---|
| Inductance Accuracy: | ±20% | Temperature Rise: | 80°C MAX |
| Ambient Temperature Range: | -20°C~ 50°C | Storage Temperature Range: | -30°C~ 60°C |
| Insulation Resistance: | 100M Ω MIN. 500V DC | Dielectric Strength: | 500V AC 1min |
| Radial Play: | 0.02mm MAX. (450g Load) | End Play: | 0.08mm MAX. (450g Load) |
| Max. Radial Force: | 20N | Max. Axial Force: | 2N |
NEMA6 Hollow Shaft Stepper Motor

Electrical Specifications:
Model No. | Step Angle | Motor Length (mm) | Rated voltage (v) | Rated Current (A) | Phase Resistance (Ω) | Phase Indutance (Mh) | Holding Torque(MIN) N.m | Detent Toruue(MAX) N.cm | Motor Torque (g.cm2) |
| 6HS2030 | 1.8 | 32 | 6.6 | 0.3 | 22 | 3.6 | 0.005 | 0.002 | 2.5 |
Mechanical Dimensions and Wiring Diagram:
Torque Performance Curve: 
Lead Wire Mode Options:


The IM17 series integrated motor is the perfect combination of drive and stepper motor,
which perfectly integrates stepper motor and drive technology.
Multi-turn encoder with 14-bit single-turn resolution, counting range: 100 to 1499 turns.
Simultaneously saving design and production costs, supporting RS485 instruction control.
| Item | Specifications |
| Stepper Motor Size | NEMA17 |
| Encoder type | 1023 ring absolute encoder |
| Working voltage | 8-50VDC, Recommend DC36V |
| Driver Current | 0.2-3.2A |
| Velocity range | Up to 3000RPM |
| Control Method | RS485 √ Pulse& Direction, Twin-Pulse, I/O, Built-in Program |
| Torque value | 0.2 - 0.6Nm |
| Nonvolatile storage | Configuration parameters are stored in FLASH inside the MCU |
| DI and DO | 2 DI, 1 DO |
| Protection | Overvoltage, undervoltage, overcurrent, open winding, position deviation |
| Digital Input (2) | Receive 3.3-24VDC | ||
| Digital Output(1) | Maximum withstand voltage of 30V, | ||
| Maximum input or output current 30mA | |||
| Accuracy | 4000 pulses/r | ||
Motor Parameters
| Model No. | length mm L | Shaft length mm | Shaft dia. mm | Phase current A | Resistance Ω | inductance mH | Hold torque N.m | Inertia g.cm² | Weight g |
| IM1704 | 64 | 24 | 5 | 2.0 | 1.1 | 2.0 | 0.4 | 54 | 380 |
| IM1705 | 72 | 24 | 5 | 2.0 | 1.35 | 2.3 | 0.5 | 77 | 460 |
| IM1706 | 84 | 24 | 5 | 2.0 | 1.75 | 3.7 | 0.6 | 110 | 700 |
| IM1704L | 64 | 21 | 8 | 2.0 | 1.1 | 2.0 | 0.4 | 54 | 380 |
| IM1705L | 72 | 21 | 8 | 2.0 | 1.35 | 2.3 | 0.5 | 77 | 460 |
| IM1706L | 84 | 21 | 8 | 2.0 | 1.75 | 3.7 | 0.6 | 110 | 700 |

Terminal Definition
| Terminal | Name | Description | |
| 1 | V | 9-48VDC | |
| 2 | V- | GND | |
| 3 | X com | Input COM, compatible 5-24v | |
| 4 | X0 | 3 programmable input ports, which are connected to low-level signals. Users can configure the functions of the corresponding ports through instructions or the host computer. When set to the pulse mode, X0 is the pulse and X1 is the direction. | |
| 5 | X1 | ||
| 6 | X2 | ||
| 7 | Y2 | Y0: default alarm output (normally closed); Y1: default position output (normally closed); Y2: undefined. All port functions configurable via commands or host PC. Y2 can be factory-set as input X3 (default: output). | |
| 8 | Y1 | ||
| 9 | Y0 | ||
| 10 | Y com | Output COM, | |
| 11 | 485A | Communication Port: The slave drive can be controlled via MODBUS commands from the master station. Ensure the master station's baud rate matches the slave's (factory default: 115200). | |
| 12 | 485B | ||
Set Device ID by SW1, SW2, SW3, SW4 and SW5

SW6 is used to set the terminal resistance; OFF=0 ohms; ON=120 ohms
Block Diagram:

2 Input signals can directly receive 3.3-24V DC levels at high levels, Max. frequency of 400KHZ.
X0: pulse input, IO start/stop, limit, direction, universal input.
X1 pulse input, IO start/stop, limit, direction, universal input.
1 Output signal, maximum withstand voltage 30V, maximum input or output current 30mA
Y0 : alarm output, universal output, and factory default alarm output.
LED indicator and status:

CRC Check routine by C# :
Uint16 Funct_CRC16(unsigned char * puchMsg, Uint16 DataLen)
{
Uint16 i,j,tmp;
Uint16 crcdata=0xFFFF;
for(i=0;i<DataLen;i )
{
crcdata=(*puchMsg)^crcdata;
puchMsg ;
for(j=0;j<8;j )
{
tmp=crcdata&0x0001;
crcdata=crcdata>>1;
if(tmp){
crcdata=crcdata^0xA001;
}
}
}
returncrcdata;
}
Software Modbus Poll 
Software Adampower
1. Extract the zip file, open CommFile folder and Click Step-Config.exe or Adampower.exe


2. Open Project.

3. Click Browse

4. Select the Project.prj in the Project folder, in the same path as CommFile.

5. Double Click the Project.prj path

6. Right Click Modbus_485, and Click Property:

7. Click Property ComNN, Choose COM port, Baud rate and click Save and OK.

8. Start to use software control the RS485 Integrated stepper motor by below buttons:

RS485 Stepper Motor Controller Manual 
~~~~~~~~~~~~~~~~~~~~~~~~~~~~~~~~~~~~~~~~~~~~~~~~~~~~~~~~~~~~~~~~~~~~~~~~~~~~~~~~~~~~
Block Diagram:
2 Input signals can directly receive 3.3-24V DC levels at high levels, Max. frequency of 400KHZ.
X0: pulse input, IO start/stop, limit, direction, universal input.
X1 pulse input, IO start/stop, limit, direction, universal input.
...
1 Output signal, maximum withstand voltage 30V, maximum input or output current 30mA
Y0 : alarm output, universal output, and factory default alarm output.
LED indicator and status:

The IS17A series integrated motor is the perfect combination of drive and stepper motor,
which perfectly integrates stepper motor and drive technology, also built in a battery free
1023 turn mechanical absolute value encoder, it can save installation space,
Simultaneously saving design and production costs, supporting RS485 instruction control.
| Item | Specifications |
| Stepper Motor Size | NEMA17 |
| Encoder type | 1023 ring absolute encoder |
| Working voltage | 8-50VDC, Recommend DC36V |
| Driver Current | 0.2-3.2A |
| Velocity range | Up to 3000RPM |
| Control Method | RS485 √ Pulse& Direction, Twin-Pulse, I/O, Built-in Program |
| Torque value | 0.2 - 0.6Nm |
| Nonvolatile storage | Configuration parameters are stored in FLASH inside the MCU |
| DI and DO | 2 DI, 1 DO |
| Protection | Overvoltage, undervoltage, overcurrent, open winding, position deviation |
| Digital Input (2) | Receive 3.3-24VDC | ||
| Digital Output(1) | Maximum withstand voltage of 30V, | ||
| Maximum input or output current 30mA | |||
| Accuracy | 4000 pulses/r | ||
Motor Parameters
| Model No. | length mm L | Shaft length mm | Shaft dia. mm | Phase current A | Resistance Ω | inductance mH | Hold torque N.m | Inertia g.cm² | Weight g |
| IS1704 | 64 | 24 | 5 | 2.0 | 2.0 | 4.2 | 0.4 | 57 | 380 |
| IS1705 | 72 | 24 | 5 | 2.0 | 1.3 | 2.9 | 0.5 | 82 | 460 |
| IS1706 | 84 | 24 | 5 | 2.5 | 1.3 | 3.2 | 0.6 | 116 | 700 |

Wiring Diagram:
Terminal Definition
| Terminal | Name | Description | |
| 1 | V | 8-48VDC | |
| 2 | V- | GND | |
| 3 | X0 (PU ) | Optoelectronic isolation, differential, High level can directly receive 3.3-24VDC, with a minimum pulse width of 2us, The maximum pulse frequency is 400KHz, which can be used as a universal input port or a high-speed pulse input port | |
| 4 | X0-(PU-) | ||
| 5 | X1 (DR ) | ||
| 6 | X1-(DR-) | ||
| 7 | 485A(EN ) | RS485 Communication port, default baud rate is 115200, | |
| 8 | 485B(EN-) | ||
| 9 | Y0 (AL ) | The default alarm output port can detect the driver alarm status and provide feedback to the main station. Other functions can be set through communication | |
| 10 | Y0-(AL-) | ||
Set Device ID by SW1, SW2, SW3, SW4 and SW5

SW6 is used to set the terminal resistance; OFF=0 ohms; ON=120 ohms
Block Diagram:

2 Input signals can directly receive 3.3-24V DC levels at high levels, Max. frequency of 400KHZ.
X0: pulse input, IO start/stop, limit, direction, universal input.
X1 pulse input, IO start/stop, limit, direction, universal input.
1 Output signal, maximum withstand voltage 30V, maximum input or output current 30mA
Y0 : alarm output, universal output, and factory default alarm output.
LED indicator and status:

CRC Check routine by C# :
Uint16 Funct_CRC16(unsigned char * puchMsg, Uint16 DataLen)
{
Uint16 i,j,tmp;
Uint16 crcdata=0xFFFF;
for(i=0;i<DataLen;i )
{
crcdata=(*puchMsg)^crcdata;
puchMsg ;
for(j=0;j<8;j )
{
tmp=crcdata&0x0001;
crcdata=crcdata>>1;
if(tmp){
crcdata=crcdata^0xA001;
}
}
}
returncrcdata;
}
Software Modbus Poll 
Software Adampower
1. Extract the zip file, open CommFile folder and Click Step-Config.exe or Adampower.exe


2. Open Project.

3. Click Browse

4. Select the Project.prj in the Project folder, in the same path as CommFile.

5. Double Click the Project.prj path

6. Right Click Modbus_485, and Click Property:

7. Click Property ComNN, Choose COM port, Baud rate and click Save and OK.

8. Start to use software control the RS485 Integrated stepper motor by below buttons:

RS485 Stepper Motor Controller Manual 
~~~~~~~~~~~~~~~~~~~~~~~~~~~~~~~~~~~~~~~~~~~~~~~~~~~~~~~~~~~~~~~~~~~~~~~~~~~~~~~~~~~~
Block Diagram:
2 Input signals can directly receive 3.3-24V DC levels at high levels, Max. frequency of 400KHZ.
X0: pulse input, IO start/stop, limit, direction, universal input.
X1 pulse input, IO start/stop, limit, direction, universal input.
...
1 Output signal, maximum withstand voltage 30V, maximum input or output current 30mA
Y0 : alarm output, universal output, and factory default alarm output.
LED indicator and status:
AR42 is a high-integrated and compact size stepper driver. It adopts standard RS485 communication
protocol, can be connected with PLC, HMI, industrial computer and other upper computer with only two
communication lines. Up to 32 axes of motion platform networking can be achieved with its built-in motion
control commands.
AR42 can be set to 1-256 subdivisions and adopts built-in micro-subdivision technology, which can achieve
high subdivision effects even under low subdivision conditions, ensuring that the motor operates with uniform
step intervals and no large or small step problems.
Can be set between 1-256 subdivisions, with uniform motor step spacing; Stable output at 1/12 rpm
AR42 is designed for NEMA17 stepper motor, The NEMA17 integrated stepper motor with
torque 0.35, 0.50 and 0.7Nm:
| Model No. | Holding Torque(Nm) | Motor Length(mm) | Encoder Type |
| AR42-03 | 0.35 | 40 | 1000 line Encoder, Magnetic or Optoelectronic |
| AR42-05 | 0.50 | 48 | |
| AR42-07 | 0.70 | 60 |


Port Definition
OUT /OUT- as defferential output port, Max.receive voltage is DC24V, and instaneous ouput
current is 100mA, continuous output current is 50mA.
Set ID address, Baud Rate and Ouptut current by SW1~SW10:
Zero-return function with two trajectory A and when limit signal is triggered and not:

AR42 Modbus Stepper Motor Controller User Manual 
Software Modbus Poll 
AdamPower Software
More Information on detail, please feel free to contact me 
CANopen Stepper Motor Controller, It supports the CiA301 and CiA402 sub-protocols
of the CANopen protocol.
UC57 uses the latest 32-bit DSP digital chip and has advanced drive control algorithms and noise
suppression technology to ensure smooth motor operation. Stable, low noise, and temperature controllable.
Users can set any ID address within 1-255 and any current value within 0-8A through the host computer.
Maximum output peak current of the UC42 bus driver is 5.6A.
UC57 can be set to 1-256 subdivisions and adopts built-in micro-subdivision technology, which can achieve
high subdivision effects even under low subdivision conditions, ensuring that the motor operates with uniform
step intervals and no large or small step problems.
3 input signal ports and 2 output signal ports, supporting position, speed, and return-to-origin control modes.
with highest communication rate in 1Mbps.

Input signal Wiring diagram and Output Signal wiring diagram↑
UC57 is designed for NEMA23 stepper motor, we supply NEMA23 integrated stepper motor with 1000 line Magnetic Encoder
And 1000 line ABZ signal Optoelectronic encoder:
Holding Torque: 1.0, 2.0, 3.0Nm
If just choose UC23 stepper motor controller with requirement for low vibration, please inform us for
setting parameters before sale. 

| Model No. | Holding Torque (Nm) | Motor Length (mm) | Overall Length (mm) | Encoder |
|---|---|---|---|---|
| UC5710IEC | 1.0 | 56 | 75 | 1000 line Magnetic Encoder |
| UC5720IEC | 2.0 | 76 | 95 | |
| UC5730IEC | 3.0 | 90 | 109 | |
| UC5710IEP | 1.0 | 56 | 90 | 1000 line ABZ Optoelectronic encoder |
| UC5720IEP | 2.0 | 76 | 105 | |
| UC5730IEP | 3.0 | 90 | 124 |

Port Definition
It can be connected to PLC, industrial computer, controller and other host computers with only two
communication lines. Through the built-in motion Control instructions can realize a network of up to
100-axis stepper motors.
especially suitable for long-distance multi-axis applications, which can reduce wiring and enhance
the reliability of drive operation.
Mainly used in electronic equipment, semiconductors, medical instruments, environmental protection equipment,
automatic detection equipment, small automatic processing equipment and other automation equipment with
multiple motor shaft applications and compact requirements for equipment space
CANopen Command Read and Write:
UC57 CANopen Stepper Motor Controller User Manual 
To control the CANopen driver via a PC, you need an RS232-CAN gateway.

CANopen Software
More Information on detail, please feel free to contact me 
AdamPower is A high-tech enterprise specializing in the design and manufacturing of thread,
spline screw parts, and thread spline molds.has a strong scientific and technological strength
and is a university research base in the thread industry.
It has a key research project in Shanghai, including the Thread Research Cold Extrusion Tech-
nology Research Institute and Laboratory. Equipped with first-class equipment. provides
customers with design and manufacturing services for various standard and non-standard
threaded parts. has national invention patents in thread development research, multiple authoritative
awards, and important technical know-how.
ACME US Standard Trapezoidal Thread -29°
Precision Screw Rod List:
| T3.5 | T3X0.5 | one-headed | T8 | T8x1 | one-headed |
| T3X1 P=0.5 | two-headed | T8x2 | one-headed | ||
| T3.5 | T3.5x0.6096 | one-headed | T8x4 P=2 | two-headed | |
| T3.5x1.2192 P=0.6096 | two-headed | T8x8 P=2 | four-headed | ||
| T3.5x2.43 P=1.2192 | two-headed | T8x12 P=3 | four-headed | ||
| T3.5x2.43 P=0.6096 | four-headed | T9.52 | T9.525x0.635 | one-headed | |
| T4.76 | T4.76x0.635 | one-headed | T9.525x1.2192 | one-headed | |
| T4.76x1.27 P=0.635 | two-headed | T9.525x2.43 P1.2192 | two-headed | ||
| T4.76X1.27 | one-headed | T9.525x2.54 | one-headed | ||
| T4.76x2.54P=1.27 | two-headed | T9.525x4.233P=2.116 | two-headed | ||
| T4.76x5.08 P=1.27 | four-headed | T9.525x5.08 P=2.54 | two-headed | ||
| T5 | T5X2 P=1 | two-headed | T9.525x10.16P=2.54 | four-headed | |
| T5.56 | T5.56X0.6096 | one-headed | T9.525x1.5875 | one-headed | |
| T5.56x1.2192 P=0.6096 | two-headed | T9.525x3.175 | one-headed | ||
| T5.56X1.2192 | one-headed | T9.525x3.175 P=1.5875 | two-headed | ||
| T5.56x1.5875 | one-headed | T9.525X6.35P=1.5875 | four-headed | ||
| T5.56X3.175 P=1.5875 | two-headed | T9.525x12.7P=1.5875 | eight-headed | ||
| T5.56x2.43P=1.2192 | two-headed | T9.86 | T9.86x19.05P=3.175 | six-headed | |
| T5.56x2.43 P=0.6096 | four-headed | T10 | T10x1 | one-headed | |
| T5.56X4.87P=1.2192 | four-headed | T10x2 | one-headed | ||
| T6.35 | T6.35x0.635 | one-headed | T10X2 P=1 | two-headed | |
| T6.35X1.27 P=0.635 | two-headed | T10X5 P=1 | four-headed | ||
| T6.35x1.27 | one-headed | T10×6 P=1 | six-headed | ||
| T6.35X1.5875 | one-headed | T10x4 P=2 | two-headed | ||
| T6.35X3.175 P=1.5875 | two-headed | T10x8 P=2 | four-headed | ||
| T6.35x2.43 | one-headed | T19.05 | T19.05x2.54 | one-headed | |
| T6.35x2.43P=1.2192 | two-headed | T12-T25.4 | Customized, one-headed to sixteen headed | ||
| T6.35x5.08 P=1.27 | four-headed | ||||
| T6.35x6.35 P=1.5875 | four-headed | ||||
| T6.35x12.7P=1.5875 | eight-headed | ||||
Metric trapezoidal thread -30°, Precision Screw Rod List:
| T3 | T3x0.5 | one-headed | T8 | T8x1 | one-headed |
| T3X1 P=0.5 | two-headed | T8x2 | one-headed | ||
| T3.5 | T3.5x0.5 | one-headed | T8x4 P=2 | two-headed | |
| T3.5x2 P=1 | two-headed | T8x8 P=2 | four-headed | ||
| T4 | T4x0.5 | one-headed | T9 | T9x1 | one-headed |
| T4x0.75 | one-headed | T9x2 P=1 | two-headed | ||
| T4X1 | one-headed | T9x2 | one-headed | ||
| T4X2 P=1 | two-headed | T9x4 P=2 | two-headed | ||
| T4X4 P=1 | four-headed | T9x5 P=2.5 | two-headed | ||
| T5 | T5x1 | one-headed | T9x10 P=2.5 | four-headed | |
| T5X2 P=1 | two-headed | T9.x1.5 | one-headed | ||
| T5X3 P=1 | three-headed | T9x3 P=1.5 | one-headed | ||
| T5x4 P=1 | four-headed | T9x3 P=1.5 | two-headed | ||
| T5x2 | one-headed | T9x6 P=1.5 | four-headed | ||
| T5x4 P=2 | two-headed | T9x12 P=1.5 | eight-headed | ||
| T5x1.25 | one-headed | T10 | T10x1 | one-headed | |
| T5x1.75 | one-headed | T10x1.5 | one-headed | ||
| T6 | T6X0.8 | one-headed | T10x2 P=1 | two-headed | |
| T6X1.6 P=0.8 | two-headed | T10x5 P=1 | five-headed | ||
| T6X3.2 P=0.8 | four-headed | T10x6 P=1 | six-headed | ||
| T6x1 | one-headed | T10x4 P=2 | two-headed | ||
| T6x2P=1 | two-headed | T10x8 P=2 | four-headed | ||
| T6x3 | one-headed | T10x9 P=1.5 | six-headed | ||
| T6x3 P=1 | two-headed | T12-T25 | Diaemter , Lead Screw Customized | one-headed to sixteen headed can be customized | |
| T6X4 P=2 | two-headed | ||||
| T6X6P=1 | six-headed | ||||
| T6X12 P=1.5 | eight-headed |
Mini Screw, tiny Screw even Fingertip screw can be customized as requirement.



Planetary Screws:


Customized Big Size Screw, Long Lead Travel, Bigger Diameters and so on.



| Step Accuracy: | ±5% | Resistance Accuracy: | ±10% |
|---|---|---|---|
| Inductance Accuracy: | ±20% | Temperature Rise: | 80°C MAX |
| Ambient Temperature Range: | -20°C~ 50°C | Storage Temperature Range: | -30°C~ 60°C |
| Insulation Resistance: | 100M Ω MIN. 500V DC | Dielectric Strength: | 500V AC 1min |
| Radial Play: | 0.02mm MAX. (450g Load) | End Play: | 0.08mm MAX. (450g Load) |
| Max. Radial Force: | 20N | Max. Axial Force: | 2N |
NEMA8 Stepper Motor, 1.8° step angle stepper motor

Electrical Specifications:
|
Model No. |
Step Angle |
Motor Length (mm) |
Rated voltage (v) |
Rated Current (A) |
Phase Resistance (Ω) |
Phase Indutance (Mh) |
Holding Torque(MIN) N.cm |
Detent Toruue(MAX) N.cm |
Motor Torque (g.cm2) |
Lead Wire |
Motor Weight (g) |
| 8HS2402 | 1.8 | 28 | 4.6 | 0.2 | 23 | 8.2 | 1.4 | 0.2 | 2.5 | 4 | 50 |
| 8HS2406 | 1.8 | 28 | 1.92 | 0.6 | 3.2 | 0.9 | 1.4 | 0.2 | 2.5 | 4 | 50 |
| 8HS3402 | 1.8 | 33 | 5 | 0.2 | 25 | 8.4 | 1.8 | 0.3 | 3.2 | 4 | 70 |
| 8HS3406 | 1.8 | 33 | 3.9 | 0.6 | 6.5 | 1.7 | 1.8 | 0.3 | 2 | 4 | 60 |
| 8HS4406 | 1.8 | 40 | 3.48 | 0.6 | 5.8 | 1.6 | 2.6 | 0.5 | 4.5 | 4 | 82 |
| 8HS4408 | 1.8 | 40 | 4.32 | 0.8 | 5.4 | 1.5 | 3 | 0.5 | 3.6 | 4 | 80 |
Mechanical Dimensions and Wiring Diagram:
Lead Wire Mode Options:

Shaft Mode can be customized as the requirement.



Size:
NEMA6, NEMA8, NEMA11, NEMA14, NEMA17, NEMA23, NEMA23, NEMA34
14mm, 20mm, 28mm, 35mm, 42mm, 57mm, 60mm, 86mm
Stepper
0.001524mm~0.16mm
Performance
Maximum thrust up to 240kg, low temperature rise, low vibration, low noise,
long life (up to 5 million cycles), and high positioning accuracy (up to ±0.005 mm)
Application
Medical diagnostic equipment, life science instruments, robots, optical equipment,
analytical instruments, semiconductor equipment, communication equipment, automation equipment

NEMA6 Lead Screw Linear Actuators
Linear Module, Linear Slider
| Motor Type | Bipolar stepper |
| Step Angle | 1.8° |
| Voltage (V) | 2.5 / 6.3 |
| Current (A) | 0.5 |
| Resistance (Ohms) | 5.1 / 12.5 |
| Inductance (mH) | 1.5 / 4.5 |
| Lead Wires | 4 |
| Motor Length (mm) | 30 / 42 |
| Stroke (mm) | 30 / 60 / 90 |
| Ambient Temperature | -20℃ ~ 50℃ |
| Temperature Rise | 80K Max. |
| Dielectric Strength | 1mA Max. @ 500V, 1KHz, 1Sec. |
| Insulation Resistance | 100MΩ Min. @500Vdc |
Motor Characteristics:
| Motor | Phase voltage [V] | Phase Current [A] | Phase Resistance [Ω] | Phase Inductance [mH] | Lenght [mm] | Number of lead Wires | Weight [g] |
|---|---|---|---|---|---|---|---|
| 0632 | 6.6 | 0.3 | 22 | 4.5 | 32 | 4 | 60 |
Available Lead Screw and Travel per Step:
Diameter (mm) | Lead (mm) | Step (mm) |
3.5 | 0.3048 | 0.001524 |
3.5 | 0.6096 | 0.003048 |
3.5 | 1 | 0.005 |
3.5 | 1.2192 | 0.006096 |
3.5 | 2 | 0.01 |
3.5 | 4 | 0.02 |
3.5 | 8 | 0.04 |
3.5 | Customized size | |
NEMA6 Linear Actuator outline drawing:
| Stroke B (mm) | 20 | 40 | 60 | 80 | 100 | 120 | 150 | Size can be Customized |
| Dimension A (mm) | 60 | 80 | 100 | 120 | 140 | 160 | 190 |

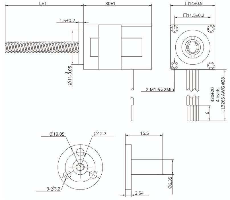
NEMA6 Stepper Lead Screw Linear Actuators
The NEMA 6 is our smallest hybrid linear actuators.
This compact unit can be integrated into various
Applications to provide precise linear positioning while
occupying less than 1 in2 of mouting footprint and
providing up to 44.5N of continuous thrust.
The Working Type for the Different Application Demand:
E: External Linear
N: Non-captive
K: Kaptive
Motor Characteristics:
| Motor Code | Voltage (V) | Current (A) | Resistance (Ω) | Inductance (mH) | Weight (g) | Lead Wire No | Length (mm) |
| 6-30 | 6.6 | 0.3 | 22 | 3.6 | 50 | 4 | 30 |
| 6-28 | 2.45 | 0.5 | 4.9 | 1.5 | 48 | 4 | 28 |
| 6-38 | 5.5 | 0.5 | 11 | 2 | 55 | 4 | 38 |
Available Lead Screw and Travel per Step:
| Lead Code | Screw Dia. (inch) | Screw Dia. (mm) | Lead (inch) | Lead (mm) | Travel Per Step @ 1.8 deg (mm) |
| AF | 0.138 | 3.5 | 0.012 | 0.3048 | 0.0015 |
| AA | 0.138 | 3.5 | 0.024 | 0.6096 | 0.003 |
| B | 0.138 | 3.5 | 0.048 | 1.2192 | 0.0061 |
| G | 0.138 | 3.5 | 0.079 | 2 | 0.01 |
| M | 0.138 | 3.5 | 0.158 | 4 | 0.02 |
| T | 0.138 | 3.5 | 0.315 | 8 | 0.04 |
NEMA 6 Stepper Lead Screw Linear Actuators (External Type):








